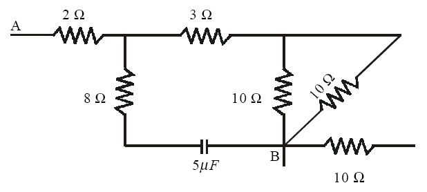
Untuk menghitung nilai hambatan pengganti campuran dilakukan dengan beberapa tahap untuk menyederhanakan proses perhitungan. Hitunglah besar hambatan pengganti dari rangkain hambatan di bawah ini.
Rangkuman 48 Contoh Soal Listrik Dinamis Amp Pembahasan
Contoh soal hambatan pengganti. Rangkaian hambatan paralel soal. Hukum ohm menjelaskan bahwa apabila tegangan listrik dinaikkan maka arus listrik akan ikut naik. Contoh soal rangkaian hambatan listrik dinamis seri dan paralel dengan pembahasannya contoh contoh soal di bawah ini persamaan matematikanya ditulis dengan menggunakan bahasa matematika khusus tidak akan terbaca dalam mobile version. Persamaan matematikanya akan terbaca dalam web version. Rumus hambatan listrik pengertian macam macam contoh soal by azzahra rahmah posted on december 25 2019 rumuscoid setelah sebelumnya kita membahas tentang rumus pemuaian kali ini kita akan membahas materi tentang rumus hambatan lengkap kita akan jabarkan secara detail dan lengkap mulai dari pengertian macam macam rumus dan contoh soal beserta pembahasannya. Khusus membahas tentang hambatan pengganti seri paralel campuran seri paralel dan beberapa bentuk hambatan khusus termasuk rangkaian jembatan wheatsone.
Berikut ini adalah materi lengkap meliputi pengertian rumus gambar dan contoh soal. Jadi besaran hambatan listriknya adalah 2 0hm. Sebelumnya kalian simak terlebih dahulu penjelasan singkat tentang materi hukum ohm. Contoh soal dan pembahasan listrik arus searah materi fisika kelas 1 sma. Perhatikan gambar berikut. Berikut tadi pembahasan materi tentang rumus hambatan listrik mulai dari pengertian macam macam rumus beserta contoh soal dan pembahasannya.
Pengertian hambatan dan rumus beserta contoh soalnya secara lengkap tahukah anda apa yang dimaksud dengan arus listrik. Untuk lebih jelasnya simak pembahasan dibawah ini. Jembatan wheatstone adalah suatu rangkaian yang tak bisa ditentukan hambatan penggantinya jikalau dengan rumus susunan hambatan seri maupun susunan pararel. Karena rangkaian yang ujung bersifat terbuka sehingga arus tidak ada yang akan melewati resistor 7 ohm dan 14 ohm maka kedua resistor tersebut tidak perlu dihitung sehingga rangkaian dapat diubah menjadi seperti berikut. Jika r1 4 ohm r2 6 ohm dan r3 12 ohm maka berapakah nilai hambatan penggantinya.
















